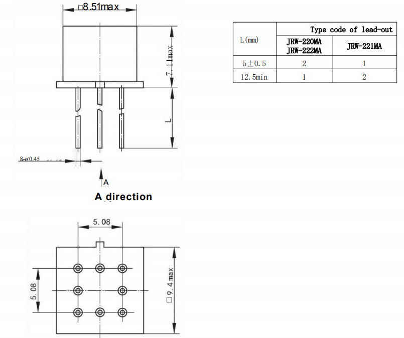
Numarul modelului.: JRW-221MA TO-5
Marca: YM
Output: Dc
Relay Type: Telecom
Ambient Temperature: -55℃~85℃
Vibratie Sinusoidala: 15g,(10~2000)Hz
Randomvibrati: 0,2 g²/Hz, 169,1 m/s
Cyclone: 4kPa
Consumul De Putere Bobine N: ≤0,5W
Tensiune De Rezistare Dielectrică: Presiune atmosferică normală: 500 Vr.ms, 50 Hz Sub presiune joasă: 125 Vr.ms, 50 Hz
Contact Load And Lifee: Resistance, 1A,28 Vd.c., 2×10⁴ times Resistance, 0.5A,28 Vd.c., 1×10⁵ times Low level, (10-50)μA, (10-50) mV, 1×10⁵ times
Insulation Resistance: ≥ 1 0 0 0 0 M Q
Contact Resistance: Initial value≤100mΩ Life test after≤200mΩ
Tightness: Leakage rate≤10³ Pa· cm³/s
Releul metalic militar JRW-221MA este proiectat ca un înlocuitor superior pentru componentele din seria Teledyne 114D, oferind suprimare avansată a tranzitorilor bobinei și etanșare ermetică de 4KPa cu protecție împotriva polarității inverse. Fiind un releu de etanșare cu metal militar sofisticat cu standardizarea pachetului TO-5, această componentă oferă compatibilitate electromagnetică îmbunătățită și protecție a sistemului pentru aplicații moderne de aviație, militare și industriale care necesită atât înlocuirea autentică Teledyne, cât și capabilități avansate de reducere a zgomotului în medii electronice sensibile.




JRW-221MA încorporează suprimarea tranzitorie a bobinei integrată care reduce semnificativ interferența electromagnetică (EMI) și interferența radiofrecvenței (RFI), oferind performanțe superioare în sistemele electronice sensibile în comparație cu releele standard de curent continuu pentru aviație sau releele de bază ale plăcii PCB fără protecție EMI.
Menținând compatibilitatea exactă a pachetului TO-5 și caracteristicile electrice, acest releu asigură înlocuirea fără probleme a seriei Teledyne 114D, oferind în același timp funcții de protecție îmbunătățite. Această abordare oferă o mai bună fiabilitate a sistemului decât releele auto generice sau releele industriale standard de putere pentru aplicații sensibile.
Cu protecție combinată la inversarea polarității și etanșare ermetică de 4KPa, JRW-221MA oferă protecție a sistemului multistrat împotriva erorilor de instalare și a contaminanților de mediu, oferind avantaje față de releele de semnal PCB standard și releele blitz de bază în aplicații solicitante.
Expertiza noastră în relee electromagnetice militare și relee magnetice de blocare sigilate permite dezvoltarea de componente de înlocuire care încorporează protecție EMI modernă, menținând în același timp compatibilitatea autentică cu sistemele vechi Teledyne.
JRW-221MA îndeplinește:
Producția îmbunătățită include:
Suprimarea tranzitorii a bobinei reduce interferența electromagnetică care poate perturba electronica sensibilă, îmbunătăți integritatea semnalului și previne declanșarea falsă în circuitele adiacente, oferind avantaje critice în sistemele cu instrumente sensibile sau echipamente de comunicație.
Da, JRW-221MA menține pachetul TO-5 exact și compatibilitatea electrică, adăugând în același timp protecție EMI îmbunătățită și caracteristici de protecție împotriva polarității inverse pentru o fiabilitate îmbunătățită a sistemului.
În timp ce designul standard de releu DPDT 8Pin 27V se concentrează pe comutarea de bază, JRW-221MA încorporează în mod special protecție EMI avansată și caracteristici de siguranță ale sistemului, menținând în același timp compatibilitatea TO-5 moștenită.
Fiecare lot este supus unor teste complete de compatibilitate electromagnetică, inclusiv verificarea suprimării tranzitorii, testarea emisiilor EMI și validarea performanței în circuite electronice sensibile.
Da, echipa noastră de ingineri poate dezvolta configurații personalizate de suprimare a tranzitorii bazate pe cerințele EMI specifice ale aplicației și nevoile de compatibilitate a sistemului.