Releu metalic militar de înaltă performanță REC-29C 27V pentru aplicație în aviație
Prezentare generală a produsului
REC-29C 27V este un releu DC sigilat cu metal premium pentru aviație militară, conceput pentru cele mai solicitante aplicații aerospațiale și de apărare. Ca parte a seriei noastre avansate de relee de etanșare cu metal militar , această componentă combină protecția ermetică a mediului cu performanța electrică excepțională pentru sistemele critice. Proiectat special pentru comenzile motorului aeronavei , sistemele de zbor cu drone și avionica militară, REC-29C oferă performanțe de comutare fiabile acolo unde defecțiunea componentelor nu este o opțiune.




Caracteristici și avantaje ale produsului
REC-29C reprezintă avangarda tehnologiei de comutare de calitate militară, oferind avantaje semnificative față de releele comerciale standard, cum ar fi releele de placă PCB și releele auto :
- Etanșare ermetică avansată: carcasa metalică sudată cu laser oferă protecție completă împotriva umezelii, prafului, stropilor de sare și a contaminanților chimici, asigurând o funcționare fiabilă în condiții de mediu extreme.
- Reziliență la mediu de grad militar: Proiectat pentru a rezista la vibrații severe (30G+), șocuri mecanice și temperaturi extreme de la -65°C la +125°C, depășind cerințele aviației comerciale.
- Performanță de comutare de mare viteză: timpul de acțiune rapid (≤4ms) și timpul de eliberare (≤4ms) asigură un control precis pentru aplicațiile aerospațiale critice de timp.
- Sistem de contact cu mod dublu: Capabil să gestioneze atât sarcinile de alimentare standard (1A la 28V DC) cât și circuitele sensibile de semnal de nivel scăzut (10-50µA la 10-50mV) cu o fiabilitate egală.
- Eficiență energetică optimizată: consumul scăzut de energie a bobinei (0,3-0,43 W) reduce sarcina termică și minimizează cerințele de putere ale sistemului.
- Design compact și ușor: Greutate sub 3 grame, cu ambalaj eficient din punct de vedere al spațiului, ideal pentru avionica modernă, unde greutatea și constrângerile de spațiu sunt critice.
- Fiabilitate sporită: rezistența de contact rămâne stabilă (≤200mΩ după testarea de viață) prin cicluri operaționale extinse, asigurând consistența performanței pe termen lung.
Ca parte a portofoliului cuprinzător de relee electromagnetice militare YM, REC-29C împărtășește excelența în producție cu liniile noastre de produse relee de blocare pentru aviație și relee de blocare magnetice etanșate .
Specificatii tehnice
Parametri completi de performanță pentru evaluarea ingineriei și integrarea sistemului:
Caracteristici electrice
- Tensiune nominală a bobinei: 27V DC (tensiune militară/aviație standard)
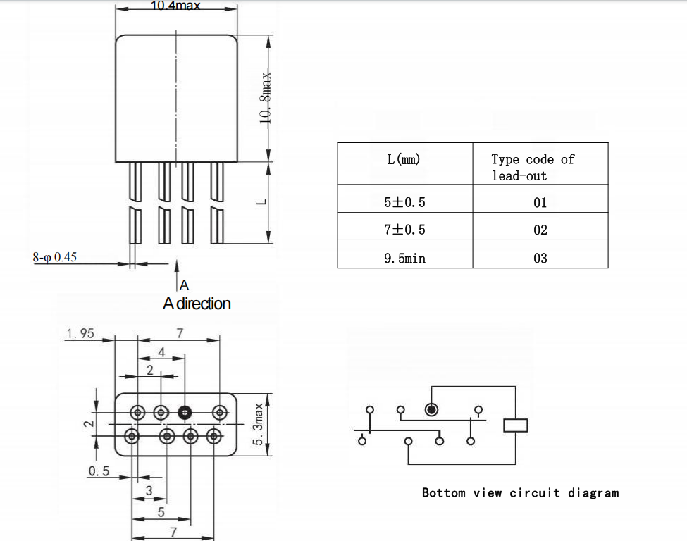
- Configurație contact: SPST-NO (Single Pole Single Throw Normal Open)
- Evaluarea contactului:
- Sarcină rezistivă standard: 1 A la 28 V CC (minimum 100.000 de cicluri)
- Încărcare de semnal de nivel scăzut: 10-50 µA la 10-50 mV
- Consum de energie bobină: 0,3W până la 0,43W
- Rezistenta de contact:
- Inițial: ≤ 50 mΩ
- Test după viață: ≤ 200 mΩ
- Rezistență de izolație: > 500 MΩ (condiții atmosferice inițiale, normale)
Parametri de performanță
- Viteza de comutare:
- Timp de acțiune: ≤ 4 milisecunde
- Timp de eliberare: ≤ 4 milisecunde
- Durată de viață: minim 100.000 de cicluri la sarcina nominală
- Rezistenta dielectrica:
- Atmosferă normală: 500 Vr.ms, 50 Hz
- Condiții de joasă presiune: 250 Vr.ms, 50 Hz
- Lățimea impulsului de stimulare: 10 până la 50 milisecunde
Specificații fizice și de mediu
- Performanță de etanșare: Rata de scurgere ≤ 1,0 × 10⁻³ Pa·cm³/s
- Greutate: < 3 grame
- Interval de temperatură de funcționare: -65°C până la +125°C
- Tip pachet: carcasă metalică de calitate militară
Ghid de integrare a sistemului
Pentru performanțe optime în sistemele aviatice și militare, urmați acești pași de implementare:
- Analiza aplicației: Verificați că specificațiile releului corespund cerințelor dumneavoastră specifice de sarcină și condițiilor de mediu.
- Revizuirea circuitului: Proiectați circuitele de antrenare a bobinei cu protecție adecvată (diodă flyback/TVS) și asigurați o capacitate de curent adecvată.
- Considerații privind aspectul PCB: Proiectare cu spațiu liber și distanțele de curgere adecvate pentru aplicații de înaltă fiabilitate.
- Managementul termic: Planificați disiparea adecvată a căldurii, în special atunci când funcționează aproape de valori maxime la temperaturi ridicate.
- Proceduri de manipulare: Implementați protecția ESD și tehnici de manipulare adecvate în timpul asamblarii.
- Testarea sistemului: testați în condiții operaționale simulate înainte de implementarea finală.
Scenarii de aplicare
REC-29C este proiectat special pentru aplicații critice în mai multe domenii:
- Sisteme de aviație militară: interfețe de control al zborului, comutare a sistemului de navigație, instrumente din cabina de pilotaj și comenzi ale sistemului de arme.
- Sisteme aeriene fără pilot (UAS): distribuția energiei dronei, activarea sarcinii utile (senzori/camere), sisteme de control al zborului și module de comunicare.
- Managementul motorului aeronavei: unități de control al motorului, comenzi ale sistemului de combustibil, sisteme de aprindere și echipamente de monitorizare.
- Comunicații militare: echipamente de comunicații criptate, interfețe pentru sisteme radar și sisteme de război electronic.
- Industrial de înaltă fiabilitate: aplicații industriale critice care necesită fiabilitate de nivel militar, distincte de ofertele noastre standard de relee de putere industriale .
O propunere de valoare
REC-29C oferă o valoare strategică semnificativă organizațiilor aerospațiale și de apărare:
- Fiabilitate îmbunătățită a misiunii: Reduce defecțiunile sistemului prin construcție și testare de calitate militară dovedite.
- Costuri reduse ale ciclului de viață: Durata de viață extinsă și cerințele de întreținere reduse reduc costurile totale de proprietate.
- Performanță îmbunătățită a sistemului: caracteristicile îmbunătățite de comutare contribuie la receptivitatea și acuratețea generală a sistemului.
- Certificare simplificată: Precalificarea la standardele militare reduce timpul și costurile pentru procesele de certificare a sistemului.
- Securitatea lanțului de aprovizionare: aprovizionarea de încredere de la producătorul consacrat reduce riscurile de achiziție.
Certificari si conformitate
REC-29C este proiectat și fabricat pentru a îndeplini standardele internaționale riguroase:
- Performanță compatibilă cu secțiunile relevante din MIL-PRF-6106 pentru relee electromagnetice de fiabilitate stabilită
- Testare de mediu conform metodelor MIL-STD-810 pentru vibrații, șocuri și temperaturi extreme
- Materialele sunt conforme cu directivele de mediu RoHS și REACH
- Fabricat sub sisteme de management al calității potrivite pentru aplicații aerospațiale
- Compatibilitate cu cerințele de calificare din industria aviației
Opțiuni de personalizare
YM oferă personalizare completă pentru cerințele specifice ale programului:
- Variante de tensiune: Tensiuni personalizate ale bobinei adaptate cerințelor specifice ale sistemului
- Configurații de contact: aranjamente de contacte modificate pentru nevoi specifice de comutare
- Testare îmbunătățită: screening suplimentar, inclusiv testarea de ardere, ciclu termic sau testare accelerată de viață
- Marcare specială: numerotarea pieselor personalizate, codificarea datei și caracteristicile de trasabilitate
- Îmbunătățiri ale mediului: etanșare sau materiale speciale pentru provocări specifice de mediu
Procesul de producție și asigurarea calității
Fiecare releu REC-29C este supus unui regim riguros de fabricație și testare:
- Calificarea materialelor: Toate materialele provin de la furnizori calificați, cu trasabilitate completă
- Fabricare de precizie: Componente fabricate la toleranțe exacte folosind procese automate
- Asamblare controlată: Asamblare în condiții de cameră curată pentru a preveni contaminarea
- Etanșare ermetică: Tehnici avansate de sudare cu laser asigură protecția mediului specificat
- Testare cuprinzătoare: testare electrică 100% plus validare de mediu pe loturile de mostre
- Verificare finală: inspecția completă și verificarea calității înainte de lansare
- Releu DC sigilat cu metal pentru aviație militară REC-29C 27V
- Releu metalic militar de înaltă performanță REC-29C 27V pentru aplicație în aviație
- Releu metalic militar durabil Model REC-29C pentru aplicații aerospațiale
- Releu metalic militar DC sigilat REC-29C pentru aviație de înaltă performanță
- Releu de aviație pentru dronă, motor de avion
- Releu de aviație militară de înaltă calitate pentru motor drone, tren, avion.
Avantaje competitive
REC-29C oferă avantaje distincte față de soluțiile alternative:
- Superioare releelor standard: depășește releele de semnal PCB comerciale în ceea ce privește durabilitatea și fiabilitatea mediului
- Imbunatatit fata de clasa auto: depaseste specificatiile chiar si ale releelor auto de inalta calitate pentru aplicatii aerospațiale
- Complementar cu starea solidă: în timp ce releele cu stare solidă oferă diferite avantaje, REC-29C oferă izolare galvanică superioară și toleranță la supratensiune
- Excelență în producție: integrarea verticală a producției YM asigură calitate și performanță consistente
Întrebări frecvente (FAQ)
Î1: Ce face ca REC-29C să fie potrivit pentru aplicații aviatice?
R: REC-29C combină etanșarea ermetică pentru medii de înaltă altitudine/presiune joasă, rezistența la vibrații de calitate militară și funcționarea în intervalul extins de temperatură - toate esențiale pentru sistemele de aviație. Fiabilitatea sa a fost validată prin protocoale riguroase de testare.
Î2: Acest releu poate fi folosit ca înlocuitor pentru anumite serii de relee rusești?
R: În timp ce REC-29C este proiectat conform specificațiilor noastre, YM are o experiență vastă în soluții de înlocuire pentru sistemele vechi. Vă rugăm să consultați echipa noastră tehnică cu cerințe specifice de înlocuire, deoarece oferim produse de înlocuire dedicate, cum ar fi seria noastră de înlocuire a releelor rusești.
Î3: Cum se compară REC-29C cu un releu cu stare solidă pentru aplicații cu drone?
R: REC-29C oferă avantaje în aplicațiile cu curent ridicat, cu pierderi de conducție mai mici și rezistență inerentă la interferența electromagnetică. Releele cu stare solidă excelează în comutarea de mare viteză și durată lungă de viață pentru ciclism frecvent. Alegerea optimă depinde de cerințele specifice aplicației – oferim ambele tehnologii.
Î4: Ce documentație este disponibilă pentru procesele de calificare?
R: Oferim pachete cuprinzătoare de date tehnice, inclusiv specificații, rapoarte de testare, certificări de materiale și date de fiabilitate pentru a sprijini procesele de calificare a clienților pentru aplicații militare și aerospațiale.
Î5: Care este timpul obișnuit de livrare pentru cantitățile de calitate pentru aviație?
R: Perioadele standard de producție sunt de 10-16 săptămâni pentru componentele de calitate pentru aviație, luând în considerare cerințele riguroase de testare și documentare. Opțiunile accelerate pot fi disponibile pentru cerințe urgente.
Î6: Oferiți suport de inginerie pentru integrarea sistemului?
R: Da, echipa noastră de inginerie tehnică oferă suport pentru aplicații pentru integrarea REC-29C în sisteme specifice, inclusiv revizuirea designului circuitului și analiza compatibilității.















