Numarul modelului.: JRC-6MA
Marca: YM
Output: Dc
Relay Type: Telecom
Ambient Temperature: -55℃~125℃
Sinusoidalvibration: 15g,(10~2000)Hz
Random Vibration: 0.2g²/Hz,169.1m/s²
Cyclone: 4.4kPa
Coil Powerconsumption: (0.29~0.4)W
Dielectricwithstandvoltage: Normal atmospheric pressure: 300Vr.m.s., 50Hz Un d e r lo w pr e s s u r e : 20 0Vr . m . s. , 5 0 Hz
Contact Load Andlife: Resistance, 1A,28 Vd.c., 1×10⁵ timesLow level, (10-50) μA, (10-50) mV,1×10⁵ times
Insulationresistance: ≥ 1 0 0 0 MQ
Contact Resistance: Initial value ≤50mQ Life test after ≤100mΩ
Etanşeitate: Rata de scurgere ≤10³ Pa ·cm³/s
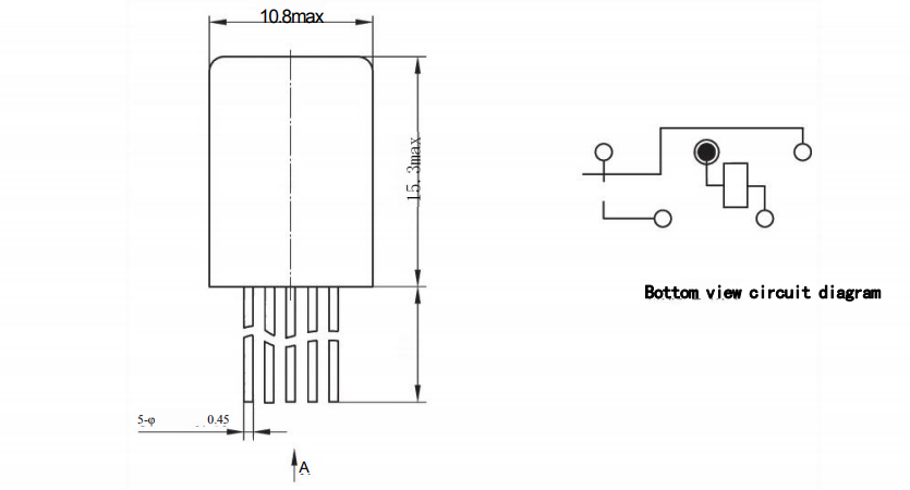
JRC-6MA este un releu de etanșare metalic militar specializat, conceput ca înlocuitor direct pentru componentele din seriile rusești P3C49 și P3K23 în aplicații aerospațiale. Acest releu DC pentru aviație de precizie are o configurație de contact 1P DPST (Single Pole Double Throw), ceea ce îl face ideal pentru comutarea aplicațiilor care necesită un control simplu de pornire/oprire. Fiind un releu electromagnetic militar de încredere, cu funcționare la 27 VDC, oferă performanțe stabile pentru comenzile zborului dronei, managementul motorului aeronavei și alte aplicații critice de releu PCB . Fabricată de YM cu peste 18 ani de experiență specializată, această componentă oferă fiabilitate și disponibilitate sporite pentru sistemele proiectate inițial cu componente aerospațiale rusești, abordând provocările lanțului de aprovizionare pentru operatorii internaționali.




Acest releu metalic militar specializat este proiectat pentru sisteme aerospațiale proiectate în Rusia:
Deși este optimizat ca înlocuitor direct din seria P3, YM oferă personalizare completă:
Expertiza noastră se întinde pe tehnologiile Releu auto , Releu industrial de putere și Releu de semnal PCB , cu o experiență vastă în deservirea operatorilor internaționali de echipamente rusești.
Fiecare JRC-6MA este supus unei verificări riguroase a calității în 6 etape:
Î1: Care este diferența dintre configurația 1P DPST și DPDT standard?
A1: DPST 1P (Single Pole Double Throw) are un contact mobil care comută între două contacte staționare, oferind o comutare simplă de pornire/oprire. DPDT are doi poli de comutare independenți, permițând controlul a două circuite separate.
Î2: Cum se compară JRC-6MA cu componentele originale rusești din seria P3?
R2: În timp ce menține compatibilitatea electrică și mecanică deplină, JRC-6MA oferă o consecvență îmbunătățită a producției, materiale moderne, documentație internațională completă și disponibilitate fiabilă a lanțului de aprovizionare.
Î3: Acest releu poate fi utilizat în ambele sisteme P3C49 și P3K23 în mod interschimbabil?
A3: Da, JRC-6MA este proiectat cu compatibilitate universală pentru ambele serii. Cu toate acestea, vă recomandăm să verificați parametrii specifici de aplicație, deoarece unele variante P3 pot avea cerințe unice.
Î4: Ce documentație acceptă compatibilitatea standard GOST?
A4: Oferim rapoarte de testare comparative care arată conformitatea cu standardele GOST relevante pentru caracteristicile electrice, performanța de mediu și dimensiunile mecanice.
Î5: Sunt disponibile mostre pentru testarea compatibilității cu echipamentele rusești?
A5: Da, oferim până la 3 mostre gratuite pentru clienții B2B calificați. Operatorii internaționali de echipamente rusești sunt încurajați să testeze în aplicațiile lor specifice.
Î6: Care este timpul de livrare pentru cantitățile de producție?
A6: Produse standard: 2-3 săptămâni. Configurații personalizate pentru anumite variante rusești: 3-4 săptămâni. Documentația în limba rusă adaugă 1 săptămână la termenul de livrare.