Releu DC din metal pentru aviație militară JRW-241MA TO-5: înlocuitor pentru seria Teledyne 134D
Prezentare generală a produsului
JRW-241MA TO-5 este un releu DC metal de înaltă performanță pentru aviație militară, conceput ca înlocuitor direct pentru componentele vechi din seria Teledyne 134D. Acest releu DC Smart din metal militar combină compatibilitatea de moștenire cu excelența modernă în producție, oferind o capacitate îmbunătățită de etanșare de 4KPa pentru aplicații aerospațiale solicitante. Conceput pentru integrarea în comenzile motorului aeronavei , sistemele de drone și electronicele militare critice, oferă performanțe de comutare fiabile acolo unde protecția mediului și fiabilitatea sunt primordiale.



Caracteristici și avantaje ale produsului
JRW-241MA oferă performanțe îmbunătățite, menținând în același timp compatibilitatea deplină cu Teledyne 134D:
- Înlocuire directă a seriei 134D: funcție de adaptare a formei compatibilă cu releele Teledyne 134D pentru upgrade-uri fără întreruperi ale sistemului.
- Etanșare îmbunătățită 4KPa: capacitate superioară de etanșare ermetică pentru condiții de mediu extreme.
- Construcție de calitate militară: proiectarea cutii metalice TO-5 cu materiale și procese de calitate militară.
- Caracteristici Smart Relay: Proiectat pentru fiabilitate și performanță în aplicații aerospațiale solicitante.
- Performanță electrică îmbunătățită: rezistență de contact mai mică (≤50mΩ inițială) și comutare rapidă (≤4ms).
- Capacitate de încărcare dublă: gestionează sarcinile de putere (1A la 28V DC) și semnalele sensibile (10-50µA la 10-50mV).
- Design optimizat pentru greutate: Sub 3 grame pentru aplicații aerospațiale sensibile la greutate.
Acest releu inteligent completează portofoliul de relee electromagnetice militare YM, împărtășind standardele cu soluțiile noastre de releu de blocare pentru aviație și de relee de blocare magnetice etanșate .
Releu militar sigilat cu metal JRW-241MA TO-5
Releu DC inteligent din metal militar JRW-241MA TO-5
Releu DC din metal pentru aviație militară JRW-241MA TO-5 Înlocuiește releul Teledyne 134D
Releu Smart DC Metal 4KPa JRW-241MA TO-5 pentru utilizarea avioanelor militare
Releu metalic pentru aviație JRW 241MA TO 5 Compatibil cu releu Teledyne 134D
Releu metalic conceput pentru aplicații aviatice și militare
Releu de aviație cu design metalic de calitate militară
Releu de aviație militară pentru dronă, placă PCB pentru motorul aeronavei
Releu de aviație de înaltă calitate pentru întreținere motor, tren, avioane
Specificatii tehnice
Specificații electrice
- Tensiune bobină: 27V DC (compatibil cu seria 134D)
- Evaluarea contactului: 1A la 28V DC (100.000+ cicluri)
- Nivelul semnalului: 10-50 µA la 10-50 mV
- Puterea bobinei: 0,3-0,43W
- Rezistență de contact: ≤50mΩ inițial, ≤200mΩ după testul de viață
Caracteristici de performanță
- Viteza de comutare: ≤4ms timp de acțiune/eliberare
- Rezistenta dielectrica: 500 Vr.ms (normal), 250 Vr.ms (presiune joasa)
- Rezistenta de izolatie: >500 MΩ initial
- Durată de viață: peste 100.000 de cicluri
- Capacitate de etanșare: 4KPa performanță de etanșare îmbunătățită
Specificații fizice
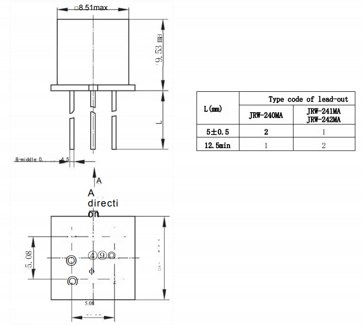
- Pachet: TO-5 cutie metalica
- Etanșare: ≤1,0×10⁻³ Pa·cm³/s rata de scurgere
- Greutate: <3 grame
- Interval de temperatură: -65°C până la +125°C
Etape de implementare a înlocuirii
- Identificați numărul și specificațiile originale ale Teledyne 134D
- Verificați compatibilitatea JRW-241MA utilizând date de referință încrucișată
- Testați mostre în mediul dumneavoastră de aplicație specific
- Actualizați documentația sistemului cu date noi ale componentelor
- Implementați înlocuirea completă cu validare îmbunătățită a etanșării
Scenarii de aplicare
- Sisteme avionice pentru aeronave de mare altitudine
- Controlul zborului cu drone în medii extreme
- Monitorizarea motorului aeronavei cu cerințe de etanșare îmbunătățite
- Comunicații militare în condiții grele
- Sisteme industriale care necesită o capacitate de etanșare de 4KPa
- Sistemele vechi care foloseau inițial componente Teledyne 134D
O propunere de valoare
- Ciclu de viață extins pentru echipamentele bazate pe Teledyne 134D
- Etanșare îmbunătățită de 4KPa pentru medii extreme
- Fiabilitate îmbunătățită cu producția modernă
- Lanț de aprovizionare stabil pentru componente învechite
- Documentație modernă și suport tehnic
Certificari si conformitate
- Performanța îndeplinește/depășește specificațiile originale 134D
- Capacitate de etanșare 4KPa validată prin testare
- Fabricat sub sisteme moderne de calitate
- Materiale conforme cu RoHS
- Documentație de trasabilitate disponibilă
Opțiuni de personalizare
- Variante de tensiune pentru cerințe specifice de sistem
- Capacități de etanșare îmbunătățite pentru aplicații extreme
- Modificări ale configurației PIN
- Testare personalizată pentru condiții specifice de mediu
- Marcare pentru a se potrivi cu identificarea componentei originale
Procesul de producție
- Calificarea materialului pentru aplicații de etanșare îmbunătățite
- Fabricare de precizie TO-5 componente
- Implementarea îmbunătățită a procesului de etanșare
- Asamblare în mediu controlat
- Testare electrică și de etanșare cuprinzătoare
- Verificarea finală a calității
Avantaje îmbunătățite de etanșare
- Capacitate de etanșare 4KPa pentru condiții extreme
- Protecție superioară a mediului față de relee standard
- Fiabilitate sporită în aplicații la altitudine mare
- Performanță mai bună în medii de operare dure
- Materiale moderne și tehnologii de etanșare
Întrebări frecvente
Î1: Ce înseamnă capacitatea de etanșare 4KPa?
R: 4KPa se referă la capacitatea releului de a menține integritatea etanșării sub 4 kilopascali de presiune diferențială, oferind protecție sporită în condiții extreme de altitudine și de mediu.
Î2: JRW-241MA este compatibil cu toate variantele Teledyne 134D?
R: Proiectat ca înlocuitor al funcției de adaptare a formei pentru anumite variante 134D. Verificați compatibilitatea cu numărul dvs. exact de piesă folosind datele noastre de referință încrucișată.
Î3: Cum beneficiază etanșarea 4KPa aplicațiilor aerospațiale?
R: Etanșarea îmbunătățită oferă o protecție mai bună împotriva diferențelor de presiune la altitudini mari, a pătrunderii umidității și a contaminanților de mediu în medii aerospațiale solicitante.
Î4: Acest releu poate fi utilizat în noile modele de înaltă altitudine?
R: Da, deși este conceput ca înlocuitor, JRW-241MA oferă performanțe excelente pentru noile aplicații aerospațiale care necesită etanșare îmbunătățită într-un pachet TO-5.
Î5: Ce date de testare sunt disponibile pentru performanța de etanșare?
R: Oferim rapoarte de testare care acoperă validarea etanșării 4KPa, testarea mediului și verificarea performanței în condiții de operare simulate.















