Min. Ordin:1
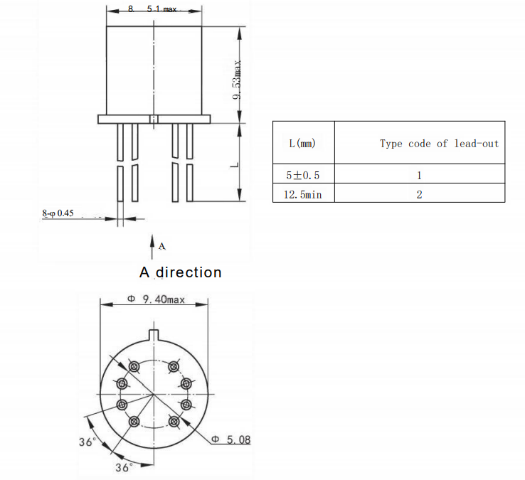
Numarul modelului.: JRW-232MA TO-5
Marca: YM
Output: Dc
Relay Type: Telecom
Ambient Temperature: -55℃~85℃
Sinusoidalvibration: 15g,(10~2000)Hz
Random Vibration: 0.2g²/Hz,169.1m/s²
Cyclone: 4kPa
Coil Powerconsumption: (0.17~0.25)W
Dielectricwithstandvoltage: Normal atmospheric pressure:500Vr.m.s., 50Hz Under low pressure: 125Vr.m. s .,50 Hz
Contact Load Andlife: Resistance, 1A,28 Vd.c., 1×10⁴ timesResistance, 0.5A,28 Vd.c., 1×10⁵ times Resistance, 0.25A,115 Va.c.2×10⁴ times Low level, (10-50) μA, (10-50) mV, 1×10⁵ times
Rezistenta De Izolare: ≥ 1 0 0 0 0 MQ
Contact Resistance: Initial value ≤100m Life test after ≤200mΩ
Etanşeitate: Rata de scurgere ≤10³ Pa · cm³s
Releul JRW-232MA Military 2Z DPDT este proiectat cu o compatibilitate dublă atât pentru componentele din seria Teledyne 432DD, cât și pentru Deutsch TVSS. Fiind un releu de etanșare cu metal militar specializat cu standardizarea pachetului TO-5, această componentă 2Z DPDT oferă capacitate avansată de comutare și suport de sistem dual moștenit pentru aviație, aplicații militare și de înaltă fiabilitate care necesită un management complet al uzurii și performanță îmbunătățită în medii cu echipamente mixte.




JRW-232MA oferă o capacitate de înlocuire autentică atât pentru seria Teledyne 432DD, cât și pentru Deutsch TVSS, oferind suport complet pentru medii cu echipamente mixte. Această compatibilitate dublă depășește releele DC standard pentru aviație și releele de bază pentru plăci PCB care acceptă doar sisteme vechi unice.
Dispunând de capacitatea de comutare 2Z DPDT, acest releu oferă opțiuni îmbunătățite de control al circuitului în comparație cu modelele standard. Această configurație avansată oferă funcționalitate superioară față de releele auto de bază și releele industriale standard de putere în aplicații complexe.
Menținerea ambalajului TO-5 standard în industrie asigură compatibilitatea cu sistemele și procesele de producție existente. Această standardizare oferă avantaje față de releele de semnal PCB moderne cu pachete proprietare în actualizările de sistem vechi.
Expertiza noastră în relee electromagnetice militare și relee magnetice de blocare sigilate permite dezvoltarea de componente care mențin compatibilitatea autentică cu mai multe sisteme vechi, încorporând în același timp îmbunătățiri moderne de fiabilitate.
Releu militar sigilat cu metal JRW-232MA TO-5
Releu DPDT metal 2Z de aviație militară JRW-232MA TO-5
Releu metalic militar JRW-232MA TO-5 Înlocuiește Teledyne 432DD
Releu de aviație JRW-232MA TO-5 Compatibil cu seria Releu Deutsch TVSS
Releu metalic 2Z DPDT JRW-232MA TO-5 pentru utilizare în aviația militară
Releu metalic conceput pentru aplicații aviatice și militare
Releu de aviație cu design metalic de calitate militară
Releu de aviație militară pentru dronă, placă PCB pentru motorul aeronavei
Releu de aviație de înaltă calitate pentru întreținere motor, tren, avioane
JRW-232MA îndeplinește:
Producție cu dublă compatibilitate:
2Z DPDT se referă la o configurație specializată Double Pole Double Throw cu caracteristici de comutare îmbunătățite, oferind un control superior al circuitului în comparație cu modelele standard DPDT în aplicații complexe.
Compatibilitatea duală permite suportul cu o singură componentă pentru mai multe sisteme vechi, reducând complexitatea inventarului, cerințele de instruire și provocările de întreținere în medii cu echipamente mixte.
În timp ce modelele standard de relee DPDT 8Pin 27V oferă funcționalități de bază, JRW-232MA oferă o capacitate îmbunătățită de comutare 2Z și compatibilitate dublă moștenită în ambalajul TO-5.
Testarea cuprinzătoare include verificarea dimensională, potrivirea parametrilor electrici și testarea funcțională în raport cu specificațiile Teledyne și Deutsch pentru a asigura compatibilitatea autentică.
Da, echipa noastră de ingineri poate dezvolta soluții de compatibilitate personalizate pentru diferite combinații de sisteme vechi, pe baza cerințelor specifice ale clienților.