Releu militar DC JRW-130MA TO-5 Putere 0,13 W pentru aplicație pentru avioane: înlocuitor pentru seria Teledyne 431
Prezentare generală a produsului
JRW-130MA TO-5 este un releu de curent continuu militar specializat, conceput pentru aplicații aerospațiale de putere redusă, având un consum de putere ultra-scăzut al bobinei de numai 0,13 W. Acest releu DPST din metal pentru aviație servește drept înlocuitor direct pentru componentele vechi din seria Teledyne 431, oferind în același timp eficiență sporită și fiabilitate modernă. Proiectat special pentru sistemele de control ale motoarelor de aeronave sensibile la putere, avionică și electronice pentru drone, combină compatibilitatea tradițională cu designul contemporan eficient din punct de vedere energetic într-un pachet TO-5 de calitate militară.




Caracteristici și avantaje ale produsului
JRW-130MA oferă performanțe excepționale la consum redus, menținând în același timp compatibilitatea deplină cu Teledyne 431:
- Consum de energie ultra-scăzut: puterea bobinei de numai 0,13 W, reducând semnificativ cerințele de putere ale sistemului și generarea de căldură.
- Înlocuire directă seria 431: Funcție de ajustare a formei compatibilă cu releele Teledyne 431 pentru upgrade-uri fără probleme ale sistemului.
- Etanșare ermetică de calitate militară: etanșarea cutii metalice TO-5 oferă o protecție superioară a mediului pentru aplicațiile aerospațiale.
- Configurație DPST: Design dublu poli o singură aruncare pentru control cu circuit dublu în aplicații eficiente din punct de vedere energetic.
- Eficiență sporită: designul optimizat al circuitului magnetic maximizează performanța de comutare minimizând consumul de energie.
- Capacitate de încărcare dublă: Menține capacitatea de a face față sarcinilor standard de putere (1A la 28V DC) și semnalelor sensibile de nivel scăzut.
- Design optimizat pentru greutate: Sub 3 grame pentru aplicații aerospațiale sensibile la greutate.
Acest releu de putere redusă completează portofoliul de relee electromagnetice militare YM, împărtășind standardele cu soluțiile noastre de releu de blocare pentru aviație și de relee de blocare magnetice etanșate .
Specificatii tehnice
Specificații electrice
- Tensiune bobină: 27V DC (compatibil cu seria 431)
- Putere bobinei: 0,13 W (consum ultra-scăzut)
- Configurare contact: DPST
- Evaluarea contactului: 1A la 28V DC (100.000+ cicluri)
- Nivelul semnalului: 10-50 µA la 10-50 mV
- Rezistență de contact: ≤50mΩ inițial, ≤200mΩ după testul de viață
Caracteristici de performanță
- Viteza de comutare: ≤4ms timp de acțiune/eliberare
- Rezistenta dielectrica: 500 Vr.ms (normal), 250 Vr.ms (presiune joasa)
- Rezistenta de izolatie: >500 MΩ initial
- Durată de viață: peste 100.000 de cicluri
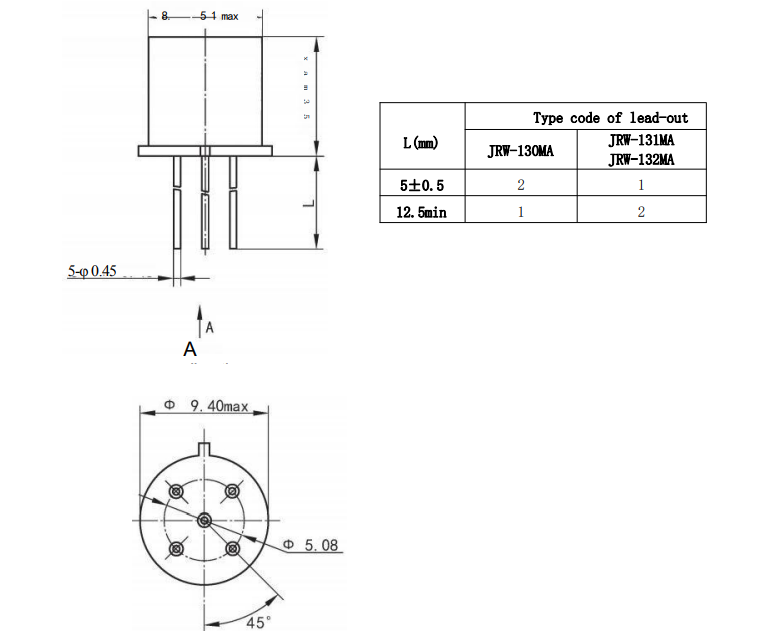
Specificații fizice
- Pachet: TO-5 cutie metalica
- Etanșare: ≤1,0×10⁻³ Pa·cm³/s rata de scurgere
- Greutate: <3 grame
- Interval de temperatură: -65°C până la +125°C
Integrarea sistemului de putere redusă
- Verificați compatibilitatea bugetului de putere cu cerința de bobină de 0,13 W
- Proiectați circuite de comandă optimizate pentru funcționare cu curent scăzut
- Asigurați-vă un aspect adecvat al PCB-ului pentru disiparea căldurii în sistemele închise
- Testați performanța releului în condiții reale de alimentare a sistemului
- Validați compatibilitatea cu interfețele existente din seria 431
Scenarii de aplicare
- Sisteme de avioane și drone alimentate cu baterii
- Monitorizarea motorului aeronavei cu constrângeri de putere
- Sisteme aviatice cu bugete stricte de putere
- Echipamente portabile de comunicații militare
- Sisteme de control industrial eficiente din punct de vedere energetic
- Sistemele vechi utilizau inițial componente Teledyne 431
O propunere de valoare
- Consum redus de energie al sistemului și generare de căldură
- Durată de viață extinsă a bateriei în aplicații portabile
- Fiabilitate sporită prin producție modernă
- Lanț de aprovizionare stabil pentru componente Teledyne învechite
- Eficiență îmbunătățită față de componentele originale învechite
Certificari si conformitate
- Performanța îndeplinește/depășește specificațiile originale 431
- Funcționare cu putere redusă validată prin testare
- Fabricat sub sisteme moderne de calitate
- Materiale conforme cu RoHS
- Documentație de trasabilitate disponibilă
Opțiuni de personalizare
- Variante de tensiune pentru cerințe specifice de putere redusă
- Optimizare îmbunătățită a performanței la consum redus
- Etanșare specială pentru medii extreme
- Testare personalizată pentru aplicații sensibile la putere
- Marcare pentru a se potrivi cu identificarea componentei originale
Procesul de producție
- Alegerea materialelor pentru o eficiență redusă
- Fabricare de precizie TO-5 componente
- Bobina optimizată pentru funcționare de 0,13 W
- Proces de etanșare ermetică
- Testare electrică și de putere cuprinzătoare
- Verificarea finală a calității
Avantajele eficienței energetice
- Consum de energie cu 70% mai mic decât releele militare standard
- Sarcina termică redusă în sistemele închise
- Timp de funcționare extins pentru echipamentele alimentate cu baterii
- Compatibil cu sistemele moderne de design eficiente din punct de vedere energetic
- Menține performanța maximă în ciuda consumului de energie mai mic
Întrebări frecvente
Î1: Cum beneficiază sistemele de aeronave consumul de energie de 0,13 W?
R: Consumul mai mic de energie reduce generarea de căldură a sistemului, prelungește durata de viață a bateriei în sistemele de urgență și permite o distribuție mai eficientă a energiei în sistemele electrice aeronavelor.
Î2: JRW-130MA este compatibil cu toate variantele Teledyne 431?
R: Conceput ca înlocuitor al funcției de adaptare a formei pentru anumite variante 431 DPST. Verificați compatibilitatea cu numărul dvs. exact de piesă folosind datele noastre de referință încrucișată.
Î3: Poate acest releu să suporte aceleași sarcini ca releele de putere standard?
R: Da, JRW-130MA menține aceeași valoare nominală de contact de 1 A, 28 V DC ca releele standard în timp ce funcționează la o putere mult mai mică a bobinei.
Î4: Cum afectează consumul scăzut de energie viteza de comutare?
R: Prin proiectarea magnetică optimizată, JRW-130MA realizează timpi de comutare ≤4 ms în ciuda consumului scăzut de putere, menținând paritatea performanței cu releele de putere mai mare.
Î5: Este potrivit pentru noile modele eficiente din punct de vedere energetic?
A: Absolut. Deși este conceput ca înlocuitor, JRW-130MA este ideal pentru sistemele noi de avioane și drone care necesită atât compatibilitate cu patrimoniul, cât și eficiență energetică modernă.















