Releu metalic militar JRW-112MA TO-5: înlocuitor pentru seria Teledyne 411DD
Prezentare generală a produsului
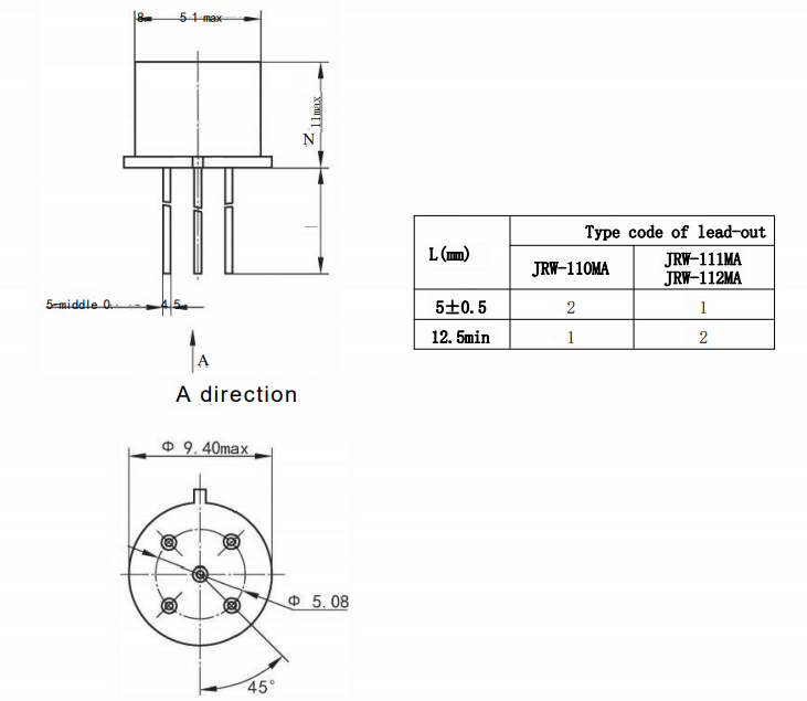
JRW-112MA TO-5 este un releu metalic militar de înaltă fiabilitate, conceput ca înlocuitor direct pentru componentele vechi din seria Teledyne 411DD. Acest releu de curent continuu pentru aviație combină compatibilitatea cu funcția de adaptare a formei cu excelența modernă în producție, oferind o soluție de upgrade fiabilă pentru sistemele aerospațiale vechi. Cu pachetul său de metal TO-5 de calitate militară și etanșarea ermetică îmbunătățită, servește ca înlocuitor ideal pentru comenzile motorului aeronavei , electronicele dronei și alte aplicații critice concepute inițial cu componentele din seria Teledyne 411.




Caracteristici și avantaje ale produsului
JRW-112MA oferă performanțe îmbunătățite, menținând în același timp compatibilitatea completă cu 411DD:
- Înlocuire directă a seriei 411DD: Funcție de adaptare la formă compatibilă cu releele Teledyne 411DD pentru upgrade-uri fără întreruperi ale sistemului.
- Etanșare ermetică de calitate militară: etanșarea cutii metalice TO-5 oferă o protecție superioară a mediului pentru aplicațiile aerospațiale.
- Performanță electrică îmbunătățită: rezistență de contact mai mică (≤50mΩ inițială) și comutare mai rapidă (≤4ms) decât multe componente vechi.
- Capacitate de încărcare dublă: gestionează atât sarcinile de putere (1A la 28V DC) cât și semnalele sensibile (10-50µA la 10-50mV).
- Pachet TO-5 optimizat pentru greutate: Sub 3 grame pentru un impact minim asupra bugetelor de greutate a aeronavelor și dronei.
- Construcție de înaltă fiabilitate: materialele moderne și procesele de producție oferă o durată de viață extinsă.
- Configurație DPST: Potrivit pentru aplicații care necesită capacitate de comutare dublu-poli.
Acest releu completează portofoliul de relee electromagnetice militare YM, împărtășind standardele cu soluțiile noastre de releu de blocare pentru aviație și de relee de blocare magnetice etanșate .
Specificatii tehnice
Specificații electrice
- Tensiune bobină: 27V DC (compatibil cu specificațiile 411DD)
- Evaluarea contactului: 1A la 28V DC (100.000+ cicluri)
- Nivelul semnalului: 10-50 µA la 10-50 mV
- Puterea bobinei: 0,3-0,43W
- Rezistență de contact: ≤50mΩ inițial, ≤200mΩ după testul de viață
Caracteristici de performanță
- Viteza de comutare: ≤4ms timp de acțiune/eliberare
- Rezistenta dielectrica: 500 Vr.ms (normal), 250 Vr.ms (presiune joasa)
- Rezistenta de izolatie: >500 MΩ initial
- Durată de viață: peste 100.000 de cicluri
Specificații fizice
- Pachet: TO-5 cutie metalica
- Etanșare: ≤1,0×10⁻³ Pa·cm³/s rata de scurgere
- Greutate: <3 grame
- Interval de temperatură: -65°C până la +125°C
Etape de implementare a înlocuirii
- Identificați numărul și specificațiile originale ale Teledyne 411DD
- Verificați compatibilitatea JRW-112MA utilizând date de referință încrucișată
- Testați mostre în aplicația dumneavoastră specifică
- Actualizați documentația sistemului cu date noi ale componentelor
- Implementați înlocuirea completă cu validarea performanței
Scenarii de aplicare
- Sisteme de avionică și control al zborului vechi
- Circuite de distribuție și control al energiei dronei
- Sisteme de monitorizare și control al motoarelor de aeronave
- Echipamente de comunicații militare
- Instrumente de testare si masurare
- Sisteme industriale care foloseau inițial componente 411DD
O propunere de valoare
- Ciclu de viață extins pentru echipamentele vechi bazate pe Teledyne
- Fiabilitate sporită cu producție modernă
- Lanț de aprovizionare stabil pentru componente învechite
- Soluție de întreținere rentabilă
- Documentație modernă și suport tehnic
Certificari si conformitate
- Performanța îndeplinește/depășește specificațiile originale 411DD
- Fabricat sub sisteme moderne de calitate
- Materiale conforme cu RoHS
- Documentație de trasabilitate disponibilă
- Releu militar sigilat cu metal JRW-112MA TO-5
- Releu metalic militar JRW-112MA TO-5 Înlocuiește Teledyne 411DD
- Înlocuire releu militar de înaltă fiabilitate JRW-112MA TO-5
- Releu militar DPST compatibil Teledyne 411DD JRW-112MA TO-5
- Releu metalic conceput pentru aplicații aviatice și militare
- Releu de aviație cu design metalic de calitate militară
- Releu de aviație militară pentru dronă, placă PCB pentru motorul aeronavei
Opțiuni de personalizare
- Variante de tensiune pentru cerințe specifice de sistem
- Modificări ale configurației PIN
- Etanșare îmbunătățită a mediului
- Pachete personalizate de testare și documentație
Procesul de producție
- Calificarea materialului și trasabilitatea
- Fabricare de precizie TO-5 componente
- Asamblare în mediu controlat
- Proces de etanșare ermetică
- Testare electrică cuprinzătoare
- Verificarea finală a calității
Avantaje comparative
- Etanșare superioară față de componentele originale îmbătrânite
- Materiale moderne și procese de fabricație
- Documentatie tehnica completa
- Lanț de aprovizionare stabil și de încredere
Întrebări frecvente
Î1: JRW-112MA este compatibil cu toate variantele Teledyne 411DD?
R: Proiectat ca un înlocuitor de formă-fit-funcție pentru anumite variante 411DD. Verificați compatibilitatea cu numărul dvs. exact de piesă folosind datele noastre de referință încrucișată.
Î2: Care sunt principalele îmbunătățiri față de componentele originale 411DD?
R: Etanșare ermetică îmbunătățită, materiale de contact îmbunătățite, calitate modernă de fabricație și documentare mai bună în comparație cu componentele originale îmbătrânite.
Î3: Acest releu poate fi utilizat în noile modele de drone?
R: Da, deși este conceput ca înlocuitor, JRW-112MA oferă performanțe excelente pentru noile aplicații aerospațiale și de drone care necesită relee de pachete TO-5 fiabile.
Î4: Ce documentație susține calificarea înlocuitorului?
R: Oferim pachete de date tehnice, rapoarte de testare care compară performanța cu specificațiile originale, certificări de materiale și note de aplicare.
Î5: Cum se compară acest lucru cu componentele originale NOS (New Old Stock)?
R: JRW-112MA oferă o calitate mai consecventă (producție modernă versus NOS vechi), o documentare mai bună și materiale conforme cu reglementările actuale.
















