Releu militar etanșat cu metal de 27 V CC JRW-111MA TO-5: înlocuitor pentru seria Teledyne 411D
Prezentare generală a produsului
JRW-111MA TO-5 este un releu DC sigilat cu metal militar de înaltă performanță, conceput ca înlocuitor direct pentru componentele vechi din seria Teledyne 411D. Acest releu DPST pentru aviație combină compatibilitatea cu funcția de adaptare a formei cu excelența modernă în producție, oferind o soluție de upgrade fiabilă pentru sistemele aerospațiale vechi. Cu pachetul său metalic TO-5 de calitate militară, etanșare ermetică îmbunătățită și toleranță la accelerare de până la 50 g, servește ca înlocuitor ideal pentru comenzile motorului aeronavei , electronicele dronei și alte aplicații critice concepute inițial cu componentele din seria Teledyne 411.



Caracteristici și avantaje ale produsului
JRW-111MA oferă performanțe îmbunătățite, menținând în același timp compatibilitatea deplină cu Teledyne 411D:
- Înlocuire directă a seriei 411D: funcție de adaptare a formei compatibilă cu releele Teledyne 411D pentru upgrade-uri fără întreruperi ale sistemului.
- Toleranță ridicată la accelerație: Rezistă la accelerații de până la 50 g, potrivite pentru medii cu vibrații extreme.
- Etanșare ermetică de calitate militară: Sigilarea cutii metalice TO-5 oferă o protecție superioară a mediului.
- Configurație DPST: Design dublu poli o singură aruncare pentru aplicații de control cu circuit dublu.
- Performanță electrică îmbunătățită: rezistență de contact mai mică (≤50mΩ inițială) și comutare rapidă (≤4ms).
- Capacitate de încărcare dublă: gestionează sarcinile de putere (1A la 28V DC) și semnalele sensibile (10-50µA la 10-50mV).
- Design optimizat pentru greutate: Sub 3 grame pentru aplicații aerospațiale sensibile la greutate.
Acest releu completează portofoliul de relee electromagnetice militare YM, împărtășind standardele cu soluțiile noastre de releu de blocare pentru aviație și de relee de blocare magnetice etanșate .
Specificatii tehnice
Specificații electrice
- Tensiune bobină: 27V DC (compatibil 411D)
- Configurare contact: DPST
- Evaluarea contactului: 1A la 28V DC (100.000+ cicluri)
- Nivelul semnalului: 10-50 µA la 10-50 mV
- Puterea bobinei: 0,3-0,43W
- Rezistență de contact: ≤50mΩ inițial, ≤200mΩ după testul de viață
Caracteristici de performanță
- Viteza de comutare: ≤4ms timp de acțiune/eliberare
- Toleranță la accelerare: până la 50 g
- Rezistenta dielectrica: 500 Vr.ms (normal), 250 Vr.ms (presiune joasa)
- Rezistenta de izolatie: >500 MΩ initial
- Durată de viață: peste 100.000 de cicluri
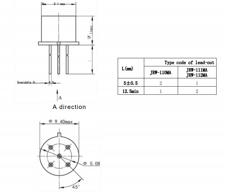
Specificații fizice
- Pachet: TO-5 cutie metalica
- Etanșare: ≤1,0×10⁻³ Pa·cm³/s rata de scurgere
- Greutate: <3 grame
- Interval de temperatură: -65°C până la +125°C
Etape de implementare a înlocuirii
- Identificați numărul și specificațiile originale ale Teledyne 411D
- Verificați compatibilitatea JRW-111MA utilizând date de referință încrucișată
- Testați mostre în mediul dumneavoastră de aplicație specific
- Actualizați documentația sistemului cu date noi ale componentelor
- Implementați înlocuirea completă cu teste de vibrație/accelerare
Scenarii de aplicare
- Sisteme de avioane și elicoptere cu vibrații ridicate
- Controlul zborului dronei și distribuția puterii
- Monitorizarea motorului aeronavei cu expunere la vibrații
- Vehicule militare și echipamente terestre
- Echipamente de testare care necesită toleranță mare la accelerație
- Sisteme industriale care utilizau inițial componente 411D
O propunere de valoare
- Ciclu de viață extins pentru sistemele vechi predispuse la vibrații
- Toleranță îmbunătățită la accelerație față de componentele originale
- Lanț de aprovizionare stabil pentru piese Teledyne învechite
- Fabricare modernă cu fiabilitate îmbunătățită
- Documentație tehnică cuprinzătoare și suport
Certificari si conformitate
- Performanța îndeplinește/depășește specificațiile originale 411D
- Testarea vibrațiilor la accelerație de 50 g
- Fabricat sub sisteme moderne de calitate
- Materiale conforme cu RoHS
- Documentație de trasabilitate disponibilă
Opțiuni de personalizare
- Variante de tensiune pentru cerințe specifice de sistem
- Testare îmbunătățită de vibrație/accelerare
- Etanșare specială pentru medii extreme
- Pachete personalizate de testare și documentație
- Marcare pentru a se potrivi cu identificarea originală
- Releu militar sigilat cu metal JRW-111MA TO-5
- Releu DC sigilat cu metal militar JRW-111MA TO-5 Înlocuiește Teledyne 411D
- Releu DPST pentru aviație cu calitate militară JRW-111MA TO-5
- Releu DC inteligent JRW-111MA TO-5 Cu viteza de accelerare 50g
- Releu metalic conceput pentru aplicații aviatice și militare
- Releu de aviație cu design metalic de calitate militară
- Releu de aviație militară pentru dronă, placă PCB pentru motorul aeronavei
- Releu de aviație de înaltă calitate pentru întreținere motor, tren, avioane
Procesul de producție
- Calificarea materialului pentru aplicații cu vibrații mari
- Fabricare de precizie TO-5 componente
- Procese de asamblare rezistente la vibrații
- Etanșare ermetică pentru protecția mediului
- Teste electrice și vibrații complete
- Verificarea finală a calității
Avantaje cheie
- Toleranță la accelerare de 50 g pentru medii extreme
- Etanșare îmbunătățită față de componentele originale îmbătrânite
- Materiale moderne și procese de fabricație
- Documentatie tehnica completa
- Lanț de aprovizionare de încredere pentru suport pentru sistemele vechi
Întrebări frecvente
Î1: Ce înseamnă toleranța de accelerare de 50 g?
R: Releul poate rezista la forțe de accelerație de până la 50 de ori gravitația, ceea ce îl face potrivit pentru medii cu vibrații mari, cum ar fi motoarele de avioane, elicopterele și vehiculele militare.
Î2: JRW-111MA este compatibil cu toate variantele Teledyne 411D?
R: Proiectat ca înlocuitor al funcției de adaptare a formei pentru anumite variante 411D DPST. Verificați compatibilitatea cu numărul dvs. exact de piesă folosind datele noastre de referință încrucișată.
Î3: Cum se compară acest lucru cu componentele originale în medii cu vibrații?
R: JRW-111MA oferă toleranță îmbunătățită la accelerație (50 g) și construcție modernă, mai potrivită pentru condițiile de vibrații solicitante decât componentele originale învechite.
Î4: Acest releu poate fi utilizat în modele noi cu vibrații mari?
R: Da, deși este conceput ca înlocuitor, JRW-111MA oferă performanțe excelente pentru aplicații noi care necesită toleranță mare la vibrații într-un pachet TO-5.
Î5: Ce date de testare sunt disponibile pentru performanța la vibrații?
R: Oferim rapoarte de testare care acoperă teste de accelerație de până la 50 g, profiluri de vibrații și validarea performanței în condiții de operare simulate.















